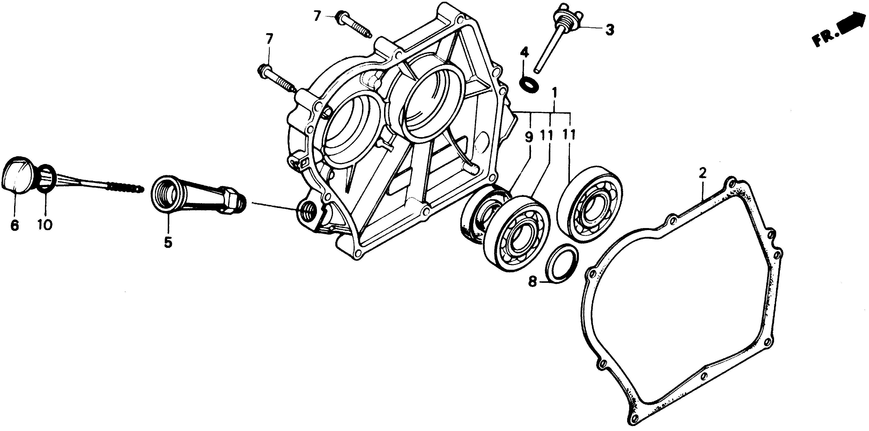
Snow Blowers HS HS35 HS35 A HS35-1000001-9999999 CRANKCASE COVER - Honda Generators of Tampa

Ref No
Part Number
Description
Serial Range
Qty
Price

Ref No
1
Part Number
11300-883-612
Description
COVER ASSY., CRANKCASE
Serial Range
1000001 - 9999999

Ref No
2
Part Number
11381-883-800
Description
GASKET, CASE COVER
Serial Range
1000001 - 9999999
Qty
Price
$12.82

Ref No
3
Part Number
15620-883-010
Description
CAP, OIL (YELLOW)
Serial Range
1000001 - 9999999

Ref No
4
Part Number
15621-896-010
Description
GASKET, OIL FILLER CAP
Serial Range
1391010 - 9999999
Qty
Price
$5.46

Ref No
5
Part Number
15640-730-000
Description
PIPE, OIL FILLER
Serial Range
1000001 - 1990608

Ref No
5
Part Number
15640-730-010
Description
PIPE, OIL FILLER
Serial Range
1990609 - 9999999
Qty
Price
$36.12

Ref No
6
Part Number
15650-730-000
Description
DIPSTICK, OIL
Serial Range
1990609 - 9999999
Qty
Price
$11.26

Ref No
7
Part Number
90017-883-000
Description
BOLT, FLANGE (6X32) (CT200)
Serial Range
1000001 - 9999999
Qty
Price
$3.26

Ref No
8
Part Number
90456-883-000
Description
WASHER, THRUST SPRING
Serial Range
1000001 - 9999999
Qty
Price
$3.48

Ref No
9
Part Number
91201-Z0T-801
Description
OIL SEAL (25X41X6) (NOK)
Serial Range
1000001 - 9999999

Ref No
9
Part Number
91202-883-005
Description
OIL SEAL (25X41X6)
Serial Range
1000001 - 9999999

Ref No
10
Part Number
94608-50000
Description
O-RING (23X2.8)
Serial Range
1000001 - 9999999

Ref No
11
Part Number
96100-62050-00
Description
BEARING, RADIAL BALL (6205)
Serial Range
1000001 - 9999999